辽宁职业学院2017年高职单招电气自动化技术专业技能考试大纲
一、考试性质
2017年辽宁省普通高等职业院校单独招中职毕业生电气自动化技术专业技能考试(以下简称技能操作考试)是由中等职业学校(包括中等职业学校、职业高中、技工学校)电气运行与控制及机电类相关专业毕业生参加的选拔性考试。
二、考试依据
(一)考试依据
1、教育部中等职业学校电气运行与控制及机电类相关专业教学指导方案。
2、国家劳动和社会保障部《维修电工》职业鉴定标准。
(二)考试范围
以教育部中等职业学校电气运行与控制及机电类相关专业教学指导方案为依据,以现有的中等职业学校国家规划教材为主要参考教材,主要有《电工基础》、《电子技术基础》、《电机与拖动基础》、《电工仪表》、《电工工艺》、《电气控制技术》、《传感器技术》、《PLC控制技术》等。
三、考试办法
(一)考试目标
主要测试学生理解和掌握电气运行与控制方面的基本知识及主要技能,解决电气安装、维修等方面的实际问题。
(二)能力要求
电气自动化技术专业技能考试选择中等职业学校的电气运行与控制及机电类相关专业技能训练内容,并参照国家劳动和社会保障部《维修电工》职业鉴定标准,考查学生对专业基本知识、基本技能和综合技能掌握的熟练程度,要求考生在规定时间内独立完成相关技能操作测试项目。
四、考试内容与要求
1、考试方式及时间
考试方式:专业技能操作考试分为必考技能操作和选考技能操作,必考技能操作为每位考生必选并参加考试,选考技能操作是考生从除必考技能以外其他两项技能考试项目中自主选择一项参加考试。
考试时间:80分钟(必考技能操作考试时间60分钟,选考技能操作考试时间20分钟)
考试满分:300分(必考技能200分,选考技能100分)
2、考试内容及评分标准
考试内容:
(1)三相异步电动机正反转控制电路安装与调试(必考技能)
(2)三菱FX系列PLC的程序编制(必考技能)
(3)万用表测试小功率三极管(选考技能)
(4)使用万用表进行元器件性能测试(选考技能)
评分标准:
(1) 三相异步电动机正反转控制电路安装与调试
考核要求:
①安装接线:
根据电气原理图完成电路的安装与接线。
元件布局要合理,配线导线要坚固、美观。
②通电试验:
正确使用电工工具及万用表,进行仔细检查,通电试验,并注意人身和设备安全。
项目评分标准:
|
项目 |
序号 |
评分内容 |
评 分 要 点 |
配分 |
|
装接工艺 |
1 |
元件安装 |
元件安装不牢固,每处扣1分。元件损坏,每只扣2分。 |
10 |
|
2 |
接线 |
整体效果:优10分,良8分,一般6分,差0分。 |
10 |
|
3 |
配线合理 |
一个端子连接2根以上导线扣2分。 |
15 |
|
4 |
接线牢固 |
电气接触良好,一处不良扣2分。 |
15 |
|
通电试验 |
5 |
一次通电 |
若不能全部达到题目要求的电气运行效果,扣10分。 |
10 |
|
6 |
二次通电 |
若不能全部达到题目要求的电气运行效果,再扣10分。 |
10 |
|
7 |
安全性能 |
发生短路事故,一次扣20分;发生人身安全事故本次考核不能通过。 |
20 |
|
文明生产 |
8 |
文明生产 |
是否正确使用电工仪表及工具,注意用电安全,最多扣10分 |
10 |
|
9 |
其他情况 |
达到电气运行效果,但未按图施工,在总分中扣20分。发生其他异常情况,由评委现场商议后作裁决,选手必须服从。 |
|
|
总分 |
100 |
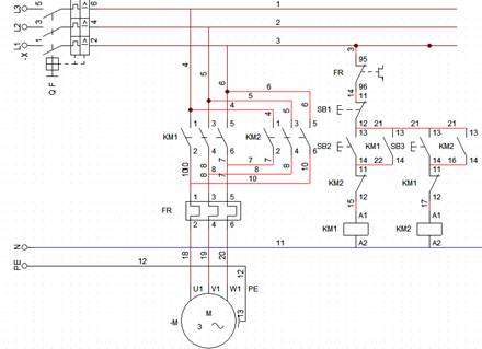
电气原理接线图:
(2)三菱FX系列PLC的程序编制
考核要求:
①电路设计:根据任务,列出PLC控制I/O口(输入/输出)元件地址分配表。
②程序设计:根据系统功能及PLC控制I/O口(输入/输出)元件地址分配表,设计PLC控制程序。
项目评分标准:
|
项目 |
序号 |
评分内容 |
评 分 要 点 |
配分 |
|
I/O分配 |
1 |
I/O分配 |
1.未指明元件功能,一处扣5分2.输入输出元件漏一处扣5分3.I/O端子分配错一个扣5分 |
40 |
|
程序设计 |
2 |
PLC控制程序设计 |
1.程序设计错误,一处扣10分2.图形符号绘制错误或不规范,一处扣5分3.元件代号未标或标注错误,一处扣5分 |
60 |
|
总分 |
100 |
(3)万用表测试小功率三极管
考核要求:
①熟悉万用表的功能和使用方法;
②按正确的操作规程完成作业项目;
③检测结果正确。
项目评分标准:
|
项目 |
序号 |
评分内容 |
评 分 要 点 |
配分 |
|
仪表检查 |
1 |
检查校验仪器仪表 |
档位选取不正确扣5分 |
5 |
|
2 |
没有正确检查仪表完好,扣5分 |
5 |
|
3 |
凋零方法不正确,扣5分 |
5 |
|
找b极并判断类型 |
4 |
判断b极,确定类型 |
操作过程不正确,扣5分判断结果不正确,扣5分 |
10 |
|
5 |
三极管类型判断不正确,扣5分 |
5 |
|
确定c极、e极 |
6 |
判断方法及步骤正确,判断结果正确,操作熟练 |
判断方法不正确,扣15分 |
15 |
|
7 |
判断结果不正确,扣5分 |
5 |
|
8 |
操作不熟练,扣5分 |
5 |
|
稳定性判断 |
9 |
方法正确,判断合理 |
方法不正确,扣5分 |
5 |
|
10 |
判断不合理,扣5分 |
5 |
|
安全文明操作 |
11 |
遵守安全操作规程,正确使用工具仪表,操作现场整洁,安全用电、防火,无人身、设备事故 |
不能遵守安全操作规程,扣5分 |
5 |
|
12 |
未能正确使用工具仪表,扣10分 |
10 |
|
13 |
根据现场整洁情况评分,最多扣10分 |
10 |
|
14 |
根据安全用电情况评分,最多扣10分 |
10 |
|
15 |
不赋分,最多扣10分 |
|
|
总分 |
100 |
(4)使用万用表进行元器件性能测试
考核要求:
①分别画出按钮、低压断路器、接触器、热继电器的图形符号;
②用万用表进行按钮性能测试,判断元器件好坏,正确指出动合、动断触点;
③用万用表进行低压断路器性能测试,判断元器件好坏;
④用万用表进行接触器性能测试,判断元器件好坏,正确指出线圈、主触点、辅助动合触点、辅助动断触点;
⑤用万用表进行热继电器性能测试,判断元器件好坏,正确指出热元件、动断触点、动合触点;
⑥正确选用电工仪表及电工工具,注意用电安全。
项目评分标准:
|
项目 |
序号 |
评分内容 |
评 分 要 点 |
配分 |
|
元器件图形符号 |
1 |
按钮 |
动断触点、动合触点图形符号,每错一个扣2.5分 |
5 |
|
2 |
低压断路器 |
图形符号错了扣5分 |
5 |
|
3 |
接触器 |
主触点、线圈、辅助动合触点、辅助动断触点每错一处扣2.5分 |
10 |
|
4 |
热继电器 |
热元件、动断触点每错一处扣2.5分 |
5 |
|
元件性能测试 |
5 |
按钮 |
万用表判断元器件好坏5分,正确指出动合、动断触点各5分 |
15 |
|
6 |
低压断路器 |
万用表判断元器件好坏5分 |
5 |
|
7 |
接触器 |
万用表判断元器件好坏5分,正确指出线圈、主触点、辅助动合触点、辅助动断触点各5分 |
25 |
|
8 |
热继电器 |
万用表判断元器件好坏5分,正确指出热元件、动断触点、动合触点各5分 |
20 |
|
文明生产 |
9 |
文明生产 |
是否正确使用电工仪表及电工工具,注意用电安全 |
10 |
|
总分 |
100 |
五、其它说明
1、技能操作考试由分别安排在相应实训室进行,考试中所涉及的仪器、设备、耗材等由本院准备。
2、技能操作考试时按照考生随机抽取抽考技能项目;按要求给考生编号,凭考号参加技能操作考试,做到考生与身份证及准考证分离,其余考生在侯考室侯考;考生由辅助人员陪同,按照指示路线进场与出场,避免考生互相交流考试内容;考生独立操作,考生间不得交流,不能代替操作。候考学生与已考学生不能见面。
3、根据操作步骤是否正确、操作规范程度、操作熟练程度及结果的准确性等进行评分,评分以得分方式显示。操作中出现与评分标准不符的,考试结束时监考老师告知考生出错的内容。
4、考场除巡视人员、考生、监考教师及辅助人员可凭证入内,其余人员不能在考场周围逗留或进入。
5、参考资料: